20N06 增強型場效應管 MOS管20N06 SOP-8
增強型場效應管 20N06的管腳排列圖:

增強型場效應管 20N06的應用:
消費電子電源
電動機控制
同步整流
同步整流應用
增強型場效應管 20N06的極限值:
(如無特殊說明,Tj=25℃)
| 參數 | 符號 | 數值 | 單位 |
| 漏極-源極電壓 | VDS | 60 | V |
| 柵極-源極電壓 | VGS | ±20 | |
| 漏極電流-連續(xù) | ID | 20 | A |
| 漏極電流-脈沖 | IDM | 48 | |
| 功耗 | PD | 4 | W |
| 單脈沖雪崩能量 | EAS | 30 | mJ |
| 結溫和存儲溫度 | Tstg,Tj | -55~150 | ℃ |
| 熱阻,結到環(huán)境 | RθJA | 31 | ℃/W |
增強型場效應管 20N06的電特性:
(如無特殊說明,Tj=25℃)
| 參數 | 符號 | MIN值 | TYP值 | MAX值 | 單位 |
| 漏極-源極擊穿電壓 | BVDSS | 60 | 100 | V | |
| 柵極開啟電壓 | VGS(th) | 1 | 2.5 | ||
靜態(tài)漏源導通電阻 (VGS=10V,ID=20A) | RDS(ON) | 7.5 | 10 | mΩ | |
靜態(tài)漏源導通電阻 (VGS=4.5V,ID=10A) | 10 | 13 | |||
柵極漏電流 (VGS=20V) | IGSS | 100 | nA | ||
柵極漏電流 (VGS=-20V) | -100 | ||||
| 零柵壓漏極電流 | IDSS | 1 | μA | ||
| 輸入電容 | Ciss | 1182.1 | pF | ||
| 輸出電容 | Coss | 199.5 | |||
| 反向傳輸電容 | Ciss | 4.1 | |||
| 開啟延遲時間 | td(on) | 17.9 | ns | ||
| 開啟上升時間 | tr | 4 | |||
| 關斷延遲時間 | td(off) | 34.9 | |||
| 開啟下降時間 | tf | 5.5 | |||
| 柵極總電荷 | Qg | 18.4 | nC | ||
| 柵源電荷密度 | Qgs | 3.3 | |||
| 柵漏電荷密度 | Qgd | 3.1 |
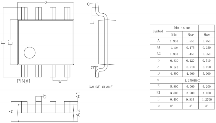
增強型場效應管 20N06的封裝外形尺寸:

聲明:本網站原創(chuàng)內容,如需轉載,請注明出處;本網站轉載的內容(文章、圖片、視頻)等資料版權歸原網站所有。如我們采用了您不宜公開的文章或圖片,未能及時和您確認,避免給雙方造成不必要的經濟損失,請電郵聯(lián)系我們,以便迅速采取適當處理措施;郵箱:limeijun@yushin88.com